欢迎访问浙江凡华电子股份有限公司官网!
简体中文
|
ENGLISH
服务热线:
0573-83802188
搜索
浙江凡华电子股份有限公司
和谐创新,团结奋进
首页
关于凡华
企业简介
发展历程
全球网络
客户案例
产品中心
功率继电器
工业继电器
电力磁保持继电器
信号继电器
新能源继电器
安全继电器
固态继电器
互感器及电表配件
服务支持
荣誉资质
应用指南
包装清单
交叉参考指南
新闻资讯
凡华动态
行业新闻
视频报道
人力资源
联系我们
联系方式
在线留言
产品中心
产品分类
Products Category
功率继电器
工业继电器
电力磁保持继电器
信号继电器
新能源继电器
安全继电器
固态继电器
互感器及电表配件
应用领域
Application Field
智能家居
家用电器
智能电表
工业控制
光伏新能源
其它应用
FH77L
电力磁保持继电器
特性说明
● 100A 触点切换能力
● 线圈控制单、双线圈可选
● 可根据用户需求订制锰铜分流器、互感器等外接附件
● 线圈与触点间介质耐电压达到 4KV
● 符合 IEC62052-31:2005 UC3 标准
● 可选配辅助触点,且与负载端触点同步/异步两种状态可选配
● 环保产品(符合 RoHS)
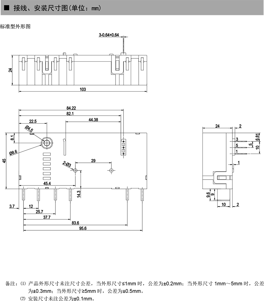
● 外形尺寸:(103*45*24)mm
● 可一体化设计,方便自动化安装和生产
● 抗工频干扰,且一致性好
● 主要用途:智能电表
产品概述
下载PDF产品说明
上一产品
下一产品
返回列表
在线留言
您有任何关于产品的问题,请给我们留言,我们会及时给予回复,谢谢您的宝贵意见!
地址
浙江省嘉兴市南湖区新昌路828号
电话
0573-83802188
邮箱
David@fanhar.com
Your message has been sent. Thank you!
确认提交留言信息
版权所有:浙江凡华电子股份有限公司
SITEMAP
XML
RSS
浙ICP备14032475号
技术支持:
添信网络
×
your browser does not support the video tag
关注微信
扫一扫关注我们
在线客服
返回顶部